首页 / 产品展示 / 油缸类

油缸类

方形轻型油压缸

液压缸是将液压能转变为机械能的、做直线往复运动(或摆动运动)的液压执行元件。它结构简单、工作可靠。用它来实现往复运动时,可免去减速装置,并且没有传动间隙,运动平稳,因此在各种机械的液压系统中得到广泛应用。

产品详情


技术参数:



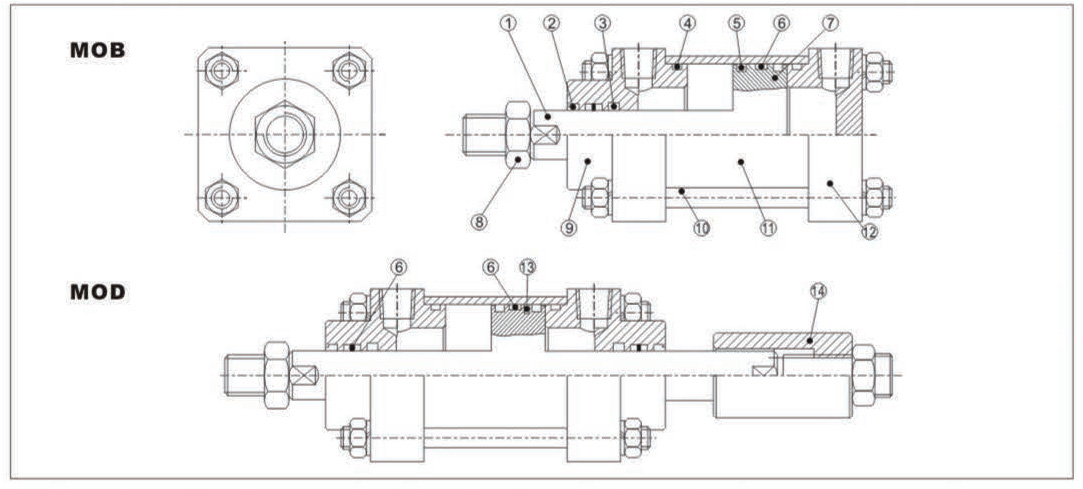
结构图:



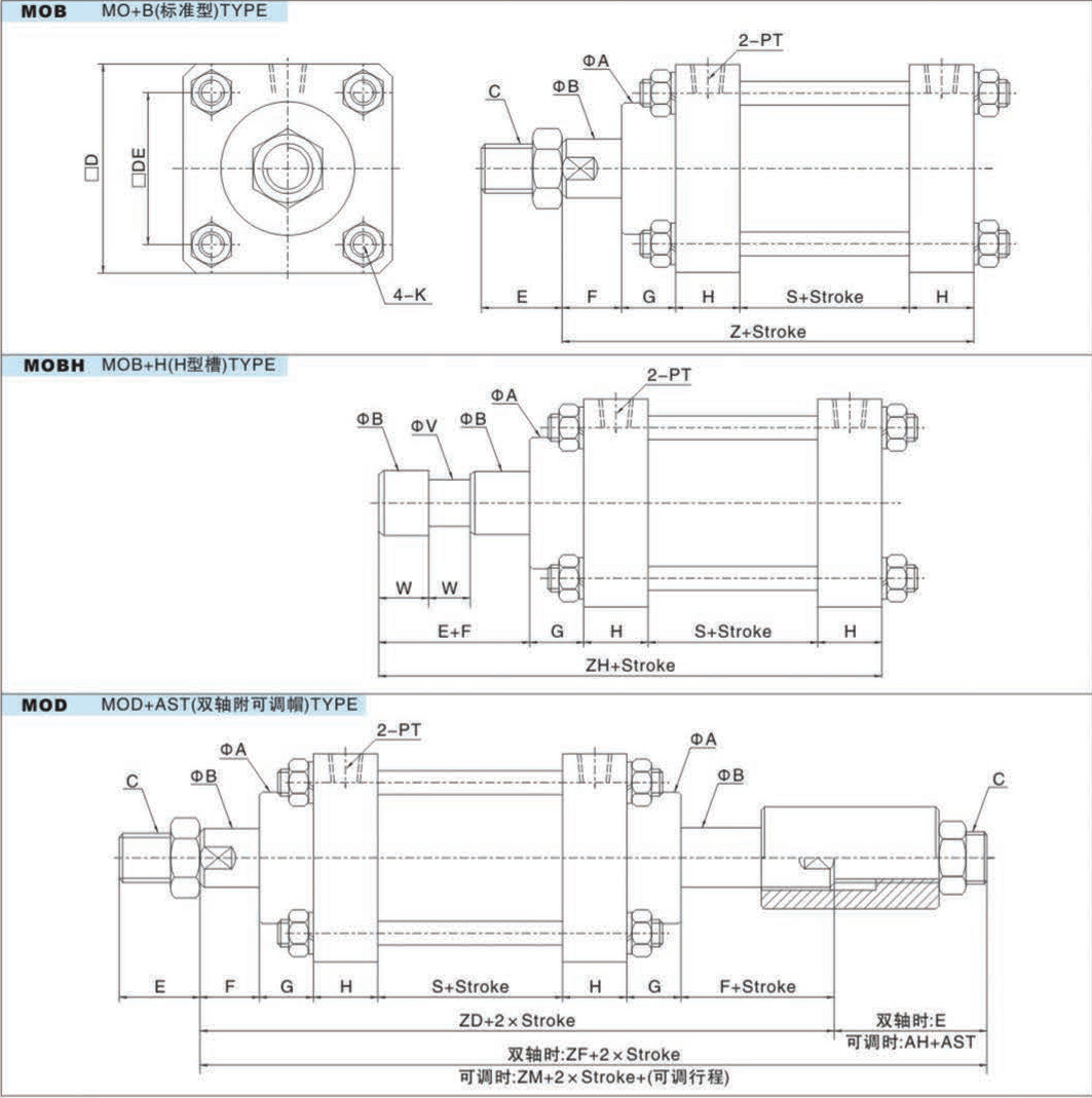
尺寸图:



相关产品

留言我们

*

联系人:陈经理 手机:18751575018

710714673@qq.com

无锡市新吴区新安街道和风路26号新发汇融广场C栋1932室

微信联系我们

Copyright 无锡市悦海机电科技有限公司 版权所有备案号:苏ICP备2024072569号-1 网站建设: 商之道